

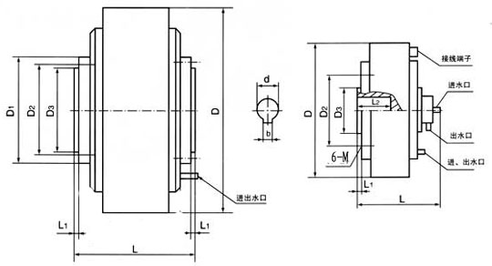
規格型號 | 額定轉矩Nm | 額定電流A | 滑差功率Kw | 磁粉用量g | 冷卻方式 | 外形尺寸 | 空心軸尺寸 | 法蘭式聯接尺寸 | |||||||
D | L | d(h) | b | L1 | D3(h) | D2 | D1 | M | L2 | ||||||
CZK-2.5 | 25 | 0.8 | 0.35 | 40 | 雙側散熱筋 | 185 | 80 | 25 | 8 | 2.5 | 90 | 105 | 120 | 6 | 6 |
CZK-5 | 50 | 0.8 | 0.5 | 60 | 雙側散熱筋 | 200 | 104 | 30 | 8 | 6 | 100 | 115 | 133 | 8 | 8 |
CZK-10 | 100 | 1.2 | 3 | 120 | 定子水冷雙側散熱筋 | 270 | 121 | 40 | 12 | 8 | 135 | 182 | 236 | 10 | 10 |
CZK-20 | 200 | 2.5 | 5 | 200 | 定子水冷 | 300 | 136 | 45 | 14 | 5 | 180 | 220 | 250 | 10 | 10 |
CZK-40 | 400 | 2.2 | 7 | 380 | 定子水冷 | 380 | 190 | 50 | 14 | 5 | 165 | 195 | 220 | 10 | 10 |
CZK-50 | 500 | 2.5 | 8 | 400 | 定子水冷 | 400 | 156 | 62 | 18 | 6 | 200 | 240 | 330 | 12 | 12 |
CZK-63 | 630 | 2.5 | 9 | 500 | 定子水冷 | 400 | 156 | 62 | 18 | 6 | 200 | 240 | 330 | 12 | 12 |
CZK-100 | 1000 | 2.5 | 18 | 1000 | 單雙水冷 | 480 | 390 | 60 | 18 | 6 | 185 | 343 | 385 | 12 | 100 |
CZK-200 | 2000 | 3 | 30 | 1800 | 單雙水冷 | 570 | 435 | 75 | 20 | 8 | 200 | 433 | 490 | 12 | 110 |
CZK-500 | 5000 | 3 | 45 | 4200 | 單雙水冷 | 776 | 525 | 90 | 25 | 8 | 250 | 586 | 640 | 12 | 140 |
空心軸法蘭式磁粉制動器概述
水冷的磁粉制動器、離合器運轉后即通水(水壓不大于1.5/cm2)出水口不得有壓力。轉子帶水冷的磁粉制動器,在出水口的里端有一小滴水孔,如發現滴水應及時更換同型號的水封,切勿堵塞。自然冷卻或風冷的制動器、離合器、表面溫度不得超過80攝氏度。可用風扇或鼓風機強迫冷卻。如余量大、轉速低、表面溫度低可不通水。
空心軸法蘭式磁粉制動器特性
空心軸法蘭式磁粉制動器的輸出轉矩大致和勵磁電流成正比,在額定電流和額定轉矩范圍內有較好的線性關系。轉矩控制的范圍廣,控制的精度高,能用簡單方法來實現轉矩的大范圍調整和精密微調,通過調節控制電流就能十分方便的調節輸出轉矩,控制功率小(約為輸出功率的%左右),輸出轉矩大(可達數萬,為簡化控制方式提供了方便。因此,同樣的使用功能下,具有較簡單的結構和較低的成本。







.jpg)
蘇公網安備 32062102000172號